反転増幅と仮想ショート
イマジナリーショート(仮想ショート) は オペアンプの 入力+ と入力-が同電位になると考えることです。
この2つが同電圧でなくても、無理やり同電圧にしようとオペアンプは働くという考え方もできます。
仮想ショートの回路

このオペアンプ回路では 入力+が グランドにつながって 0V です。
バーチャルショートは2つの入力が 同電圧になると考えるので、入力-も 0V になってグランドにつながっているはずです
(----線)
入力電流 I1 が 入力-に流れ、出力から帰ってくる 電流 -I2 が合流しますが、オペアンプは入力抵抗が大きいので 電流を吸い込まず、合流点で I1+ I2 =0 となってしまう。。。。
この合流点で I が消滅してしまうと考えられるのがいろんな回路を考えるのに便利なところでしょう。
または、
この2つが同電圧でなくても、無理やり同電圧にしようとオペアンプは働く という考えで
入力+が0Vなので入力-も0Vにしようとオペアンプは働く。
↓
入力電流 I1 が 入力-に流れ込もうとしますが、入力-に電流が流れ込むと電圧が生じるので0Vになりません。
そこで、オペアンプは0Vしようと 出力から 打ち消しあう電流:-I2 を流し、
I1 と -I2 が合流し、 0になる。
2つは同電圧になる → オペアンプは(バーチャルショートを保つ)ように働くと考えたらいいでしょう。
論理式で考える

仮想ショートなので、入力+がグランドにつながっているので、入力-もグランドにつながると考えます。
すると 電流I1は電源Ei から 抵抗R1へ流れ 分岐のあるP点 では 他の枝線へ流れずグランドにまっすぐ落ちる
このように単独な回路で計算できます。

| I1 |
= |
Ei
R1 |
Eoなどのことは何も考えなくてもいいことになります。
I2も同様で、
| I1 |
= |
Ei
R1 |
| Eo
R2 |
= |
-I2 |
これがP点で打ち消しあうので
I1 +( -I2 )=0
| Eo Ei |
= |
R2 R1 |
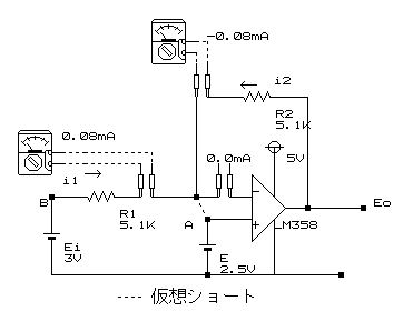
簡易実験してみた結果
バイアス電圧が必要なので、入力+をグランド接続のかわりに バイアスを2.5V の接続にして上の方法で考えました。
バイアス電圧が必要なので、入力+をグランド接続のかわりに バイアスを2.5V の接続にして上の方法で考えました。

A-B間の電位を測ると約0.5V 計算値では
このように0.098mAになりますが、
実測では 0.08mA ながれ 出力からの帰還電流 i2 も -0.08mA となり、
分岐点→(入力-) には電流は流れませんでした。
仮想ショートと考えることで同じような結果になることがわかります。
非反転増幅と仮想ショート
非反転増幅回路も 仮想ショートで考えてみます。

まず、入力-の電圧は Eo がをR1とR2 を通ってグランドにつながっているので
Eo が R1とR2 で分圧されたものといえます。
コンデンサを試す で出てきた式のとおり
| 入力-の電圧 |
= |
R1
(R1+R2) |
× |
Eo |
仮想ショートから 入力- を見ると、 入力+ と 入力- がつながっていると考えるので、
入力-の電圧 = Ei
| Eo |
= |
R1+R2
R1 |
× |
Ei |
となります。
まとめ
結局 仮想ショートとは

入力+ と 入力- が 同電位と考えることでした。
出力を 入力+ 入力- に抵抗を通して帰還させることで、オペアンプは両入力を同電位にしようと働きます。
参考文献 楽しくできるやさしいアナログ回路の実験
(東京電機大学出版)
- twtter
- google+
- hatena